Мы угадали ваш город?
Да, верно Нет, другой
0
8-800-333-85-37
Бесплатно по России
Заказать звонок

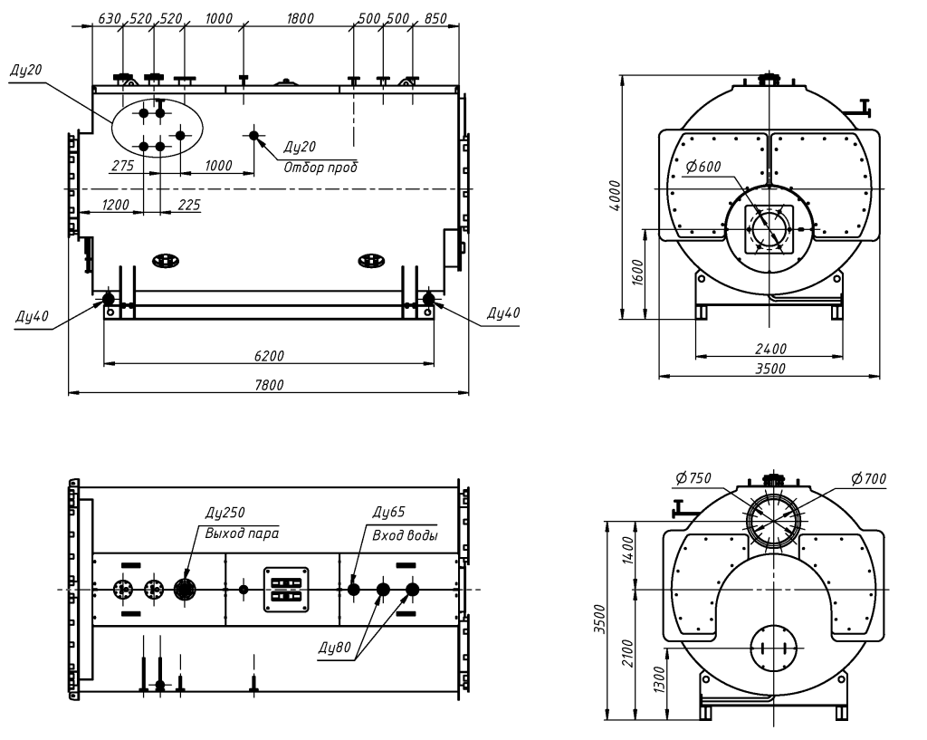
Котел паровой Temron SH16


Производитель:
Товар «под заказ»
Розничная цена:
По запросу
Добавить к сравнению
+ В КОРЗИНУ КУПИТЬ В 1 КЛИК
Доставка по городу
Гарантия производителя
Описание
Документация

Группа компаний НПК «Завод модульного энергооборудования» предлагает купить трехходовой паровой котел Temron SH16 производительностью пара 16 т/ч с доставкой по всей России. Котел SH16 работает на газообразном и лёгком жидком топливе, допускается работа на тяжёлом жидком топливе (мазут М-100). Вы сможете подобрать то, что подходит именно вам, есть в наличии на складе и !

Так же наши специалисты помогут подобрать подходящую систему автоматики Temron SA, SB производства Temron для паровых котлов.

Индивидуальные скидки клиентам - звоните узнать!

Паровые котлы серии «TEMRON SH» используются для генерации пара для отраслей промышленности и энергетики. Модульная конструкция дает возможность эффективно выполнить запрос заказчика по производительности, параметрам вырабатываемого пара, диапазону регулирования.

Паровые котлы серии «TEMRON SH» выполняются в соответствии с техническими условиями заказчика, как в варианте для выработки насыщенного пара, так и с пароперегревателем.
Котлы, используемые для генерации перегретого пара, комплектуются одно или двухступенчатыми перегревателями, установленными, в соответствии с необходимой температурой перегрева, в переднюю или заднюю поворотные камеры.

Для более высокой эффективности котлы могут быть оборудованы водотрубным экономайзером.
В конструкции котлов применяются отбортованные днища и волнистые жаровые трубы, что гарантирует прочность и долговечность.



Вы получите бесплатную консультацию, позвонив нам по телефону:
8-800-333-85-37

Или оставив заявку на звонок

ЗАКАЗАТЬ ЗВОНОК


Преимущества паровых котлов TEMRON SH16

Компактность
Подходит для установки в блочно-модульных котельных, реконструируемых, строящихся или существующих зданиях.
Многотопливность
Можно использовать как газообразное, так и лёгкое жидкое топливо. Допускается работа на тяжёлом жидком топливе (мазут М-100), но необходимо дополнительное согласование по выбору горелки и допустимой производительности котла.
Удобство обслуживания
Фронтовая дверь может открывается в обе стороны, что дает доступ к топке и дымогарным трубам, без демонтажа горелки.
Выбор комплектации
По запросу заказчика можно изменить комплектацию котла.
Широкий диапазон производительности
Паропроизводительность котлов от 1 до 30 т/ч.
Широкий выбор горелок
На котёл может быть установлена моноблочная горелка соответствующей мощности любого производителя.


Оборудование котла TEMRON SH16

SH без экономайзера

SH с экономайзером

1 - Питательная линия 2.2 - Электродный датчик проводимости 4.3 - Пневмораспределитель
1.1 - Фильтр сетчатый 2.3 - Вентиль запорный 5 - Система контроля и безопасности уровня
1.2 - Питательный насос 3 - Коллектор давления 5.1 - Электродный датчик уровня
1.3 - Обратный клапан 3.1 - Реле давления 5.2 - Система контроля и регулировки уровня
1.4 - Вентиль запорный 3.2 - Преобразователь давления 5.3 - Указатель уровня
1.5 - Клапан регулирующий с электроприводом 3.3 - Манометр 6 - Арматура котла
1.6 - Экономайзер 4 - Система периодической продувки 6.1 - Главная паровая задвижка
2 - Система непрерывной продувки 4.1 - Клапан периодической продувки 6.2 - Предохранительный клапан
2.1 - Клапан непрерывной продувки 4.2 - Вентиль запорный 7 - Шкаф автоматики


Технические характеристики котла Temron SH16

Номинальная
паропроизводительность
т/ч 16
Максимально допустимое рабочее давление* МПа 0,6 1,0 1,3 1,6
Температура насыщенного/перегретого пара °С 165/
215
184/
234
195/
245
204/
254
Температура питательной воды °С 104
Ёмкость котла
(водяной/паровой)
м³ 37,4
(30,4/7,0)
Номинальная тепловая мощность топки кВт 10335 11175
Сопротивление газового тракта кПа
(мбар)
1,6
(16)
Расход топлива для
природного газа
с Qрн=8000 ккал/м³
м³/ч 1200
Масса котла** т 29,5 33,7 35,2 38,1

*По согласованию от 0,6 МПа до 2,5 МПа
** Масса может отличаться на 10%


Требование к качеству воды

Срок службы котла на прямую зависит от качества сетевой воды.
Предельно допустимая концентрация веществ в воде*:
- значение pH при 25°C от 7 до 11;
- общая жесткость - 100 мкг-экв/кг;
- железо до 300 мкг/кг;
- кислорода до 50 мкг/кг;
- нефтепродукта до 1 мг.
*Данные приведены для температуры до 115°С,
при большей температуре смотреть РД 10-165.
Более подробная информация содержится:

Приказ № 536 от 15.12.2020 ФНП ОРПД Приложение №9

Требования к качеству питательной и котловой воды


Размер топки

Размер топки, мм
Диаметр* Длина Диаметр
отверстия
под горелку
Толщина
горелочного камня
(с плитой)
Вылет
пламенной головы
d S S1
1400 5780 580 669 50-120
* Указан внутренний диаметр волнистой трубы. Гладкая труба применяется до давления 1 МПа
  1. Пламенная голова
  2. Горелочное устройство
  3. Теплоизоляционный материал
  4. Огнеупорная изоляция

Задать вопрос


Выберите ваш город
×
Продолжая использовать наш сайт, вы соглашаетесь с условиями обработки cookie-файлов и пользовательских данных с помощью Яндекс.Метрика, необходимых для аналитики и улучшения качества работы сайта и сервиса. Запретить эти действия можно в настройках браузера