Система автоматики для газового котла отопления и теплоснабжения Энтроматик 53
Группа компаний НПК «Завод модульного энергооборудования» предлагает купить автоматику для газовых котлов отопления Энтророс серии Энтроматик 53 - надежная технология российского производства. Есть в наличии на складе и !
Так же, наши инженеры осуществляют проектирование и монтаж систем автоматики котельной на котлах Энтророс для Вашего объекта.
Система автоматики для газового котла ЭНТРОМАТИК 53 необходима для управления котлом, а так же для его безопасной работы в случае возникновении критических ситуаций.
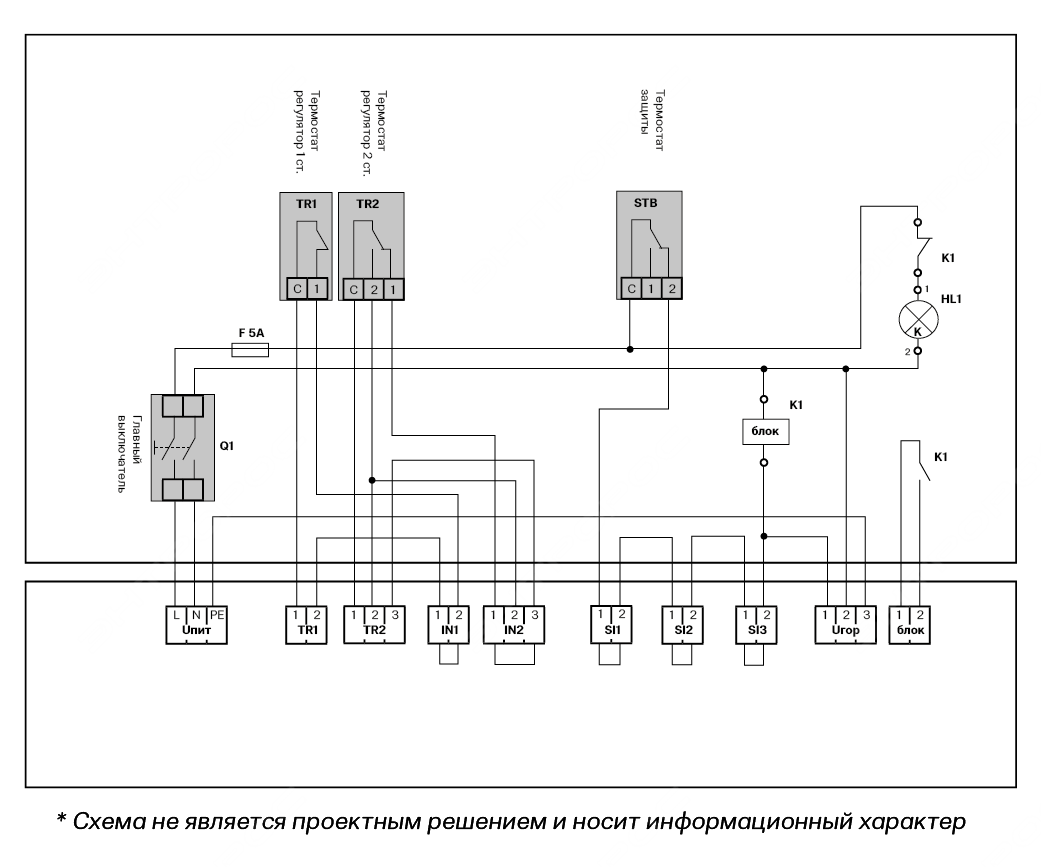
Управление котлом отопления при помощи системы автоматики для котла отопления ЭНТРОМАТИК 53 происходит за счёт формирования сигналов на горелочное устройство, например, запрос на включение, малая мощность, большая мощность. Так же, автоматика котла отключает горелочное устройство автоматически в критических ситуациях (превышение температуры, давления, уровня и т.д.).
Основные функции автоматики котла
Таким образом, основными функциями автоматики для газового котла отопления ЭНТРОМАТИК 53 являются: управление горелкой; защита котла при критических значений параметров.
Для реализации этих задач в блоке автоматики для котла отопления применяются:
- автоматическое отключение горелочного устройства при температуре выше 130 С (STB);
- автоматическое отключение горелочного устройства в случае разрыва цепи безопасности SI1–SI3. Желательно, включать в цепь датчики, которые будут контролировать показания (давление, температура, уровень и т.д.) и прекращать подачу газа к горелкам, если параметры превышены (параметры устанавливаются региональными нормами и правилами);
- возможность настройки температуры включения горелки для низкой нагрузки;
- возможность настройки температуры включения горелки для полной нагрузки;
- работа в качестве «блока безопасности» при использовании внешнего регулятора.
Технические характеристики автоматики Энтроматик 53
| Каскад | Нет |
| Локально | Один котел |
| Локальные приборы | TR1, TR2, STB |
| Блок безопасности | Нет |
| Аппаратная часть | Релейная схема |
| Тип управления горелкой | Ступени |
| Ручное управление | По термостату |
| Защита по холодной обратной линии | Нет |
| Индикация/визуализация | Световая индикация |
| Количесвто контуров управления на одном модуле | Нет |
| Применение | Котлы малой мощности |
| Диспечтеризация | Сухой контакт |
| Габариты | 280*295*131 |